|
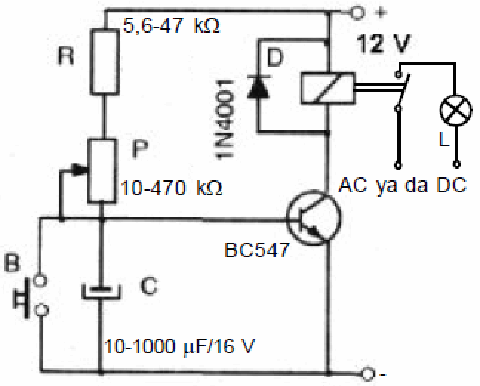
Arkadaşlar bana elektrik verildiğinde sadece 1-5dk arası çalışacak bir zaman rölesi devresi lazım. Devrede 6 saat enerji olacak belirsiz saat kesintisi olacak. Enerji her geldiğinde devre röleyi sadece 1-5 dk arası açık tutacak. Taki kesintiden sonra tekrar enerji gelene kadar. Biraz araştırdım fakat her elektrik geldiğinde otomatik yapabilecek bulamadım. Yardımcı olabilirmisiniz? < Bu mesaj bu kişi tarafından değiştirildi es@d -- 15 Mart 2021; 1:24:1 > |
|
_____________________________
West
Vibe Cross Country |




Yeni Kayıt

1 Mobil
Konudaki Resimler

kullanıcısına yanıt


Hızlı






