oto anfi için smps yardım
Selamun aleyküm dostlarım. Kendi yaptığım anfi devreleri için smps devresi yapmıştım . 2x125watt rms bide 200watt rms lik anfi yaptım ve komple birşletirip oto anfiye çevirdim. 2x35 voltta stabil ve güzel çalışıyorlar: Şuan kullandığım bir smps devresi var internette görmüştüm onu kullanıyorum küçük bi feedback modifiyesi ettim fakat fazla yüklenince voltajlarında oynama oluyor . Büyük ihtimal frekans dalgalanmasından olabilir veya devre kararlı çalışmıyorda olabilir. Devre şeması bu şekilde:

Orijinal hali ise şu şekilde:

bu devreyi yapalı 7 ay oldu hiçbir sorun çıkartmadı fakat ölçtüğümde ise 70 volttan 60-50 lere kadar indiğini gördüm normal bi bass testinde. Çok Aşırı yüklendiğimde ise ses hoparlörlerinden azcık çıt pıt sesler çıkıyodu .Şimdiden yardımlarınız için teşekkürler
Not: anfiyi 12v 30 amper güç kaynağı ile besliyorum teyple birlikte kullanıyorum. Bu konularda fazla bilgim yok malesef ama yavaş yavaş öğrenmeye çalışıyorum benim için çok yaralı olacaktır :)
Midrange Hoparlör tavsiyesi Yardım
Edit: Selamun Aleyküm arkadaşlar. Aracıma uygun bir midrange hoparlör arıyordum. Oval veya 20cm midrange olabilir ona göre pandizot hazırlayacağım. Lakin piyasada çok midrange var ve benim aradığım midrange temiz ve kaliteli çalmasını istiyorum
. Aracımda 20cm bass ile birlikte kullanacağım.
Anfi olarak elimde :
- 2x125watt rms 1x200watt rms el yapımı anfim var.
- jameson usa-554 4x80w rms anfim var.
Sizlerinde tavsiyelerini bekliyorum. herkese teşekkürler şimdiden
TDA1562q stand-by ucunu bulamadım YARDIM EDİN
|
TDA7384 Durmadan yanıyor
|
Ups trafosunu nerde kullanabilir acill
D998 B778 transistörleri
D998 B778 transistörleri ile anfi yapılır mı ?
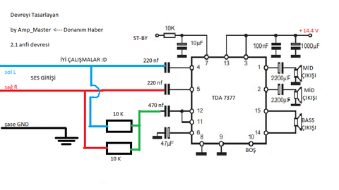
TDA 7377 ile 2.1 anfi devresi yapımı
tda 7384A anfi sorunu
|
tablet şarj soketi aşırı ısınma
|
Meslek: yok
Son Giriş: 4 yıl önce
Son Mesaj Zamanı: 5 yıl
Mesaj Sayısı: 62
Gerçek Toplam Mesaj Sayısı: 62
İkinci El Bölümü Mesajları: 0
Konularının görüntülenme sayısı: 0 (Bu ay: 249)
Toplam aldığı artı oy sayısı: 1 (Bu hafta: 0)
En çok mesaj yazdığı forum bölümü: Donanım / Hardware






Yeni Kayıt
Özel Mesaj

Görüntülenme
2 Yanıt
0 
. Korktum heemn fişleri çıkarttım ve güç kaynağında koku geldi 










